Flapper Valve Technology


Associated Spring is a world leader in the design and manufacture of precision engineered flapper valves, reed valves, assemblies and additional compressor components for multiple industries. Our experience and distinctive technology improve your industrial valve performance.
Microslot Technology – depending on material thickness, this unique capability provides world class dramatic increases in valve efficiency.
Ultra-flat Capability – this allows us to achieve flatness within 0.25% of product maximum dimension increasing sealing efficiency and ease of assembly.
Increased Compressive Stresses – using the latest in high energy post-processing, we are able to provide high residual stresses to increase fatigue life. This allows for enhanced flapper valve performance.
You will find Associated Spring precision reed valves and related components in automotive air conditioners, residential air conditioners, air/gas compressors, refrigeration compressors, 2-cycle engines in motorcycles, marine and recreational vehicle applications, heat and vacuum pumps, ride control, and heavy truck braking compressors.
Learn more about the Compressors/Flapper Valves offered by Associated Spring and the industries and markets we serve.
Put our Flapper Valve Technology services to work for you. Click on the sections below to find out how our products can support you.
Clean-Edge®Blanking
Clean-Edge®Blanking is the process of stamping high-tensile, pre-tempered material to create a maximum edge condition with minimal shear and controlled breakage. This process reduces stress risers on the blanked edge, thus highly increasing fatigue life.
Process Advantages of Clean-Edge®Blanking
This process results in the lowest number of fatigue failure initiation sites, which is essential for long-term, consistent performance of stamped parts. It also:
- Minimizes residual tensile stress
- Decreases burr occurrences
- Controls edge condition

EDGE RADIUS ADVANTAGES:
- Eliminates stress-concentrating notches/burrs
- Symmetrically finishes edge to remove stamping distortions
- Removes tensile stress from blanking operations
- Proprietary surface finish requirements for cutting components
- Controls process to prevent over-finishing

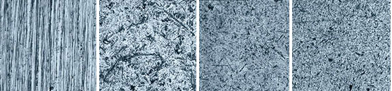
Superior Surface Finish = ISO Finishing™
ISO = All things equal (from Greek word isos).
- Equal on both sides of component
- Equal from piece #1 to piece #1,000,000+
- Engineering-approved process covering all aspects of finishing

Surface Finish Advantages:
- Creates finished surface as smooth as <0.25 μm Rz maximum
- Induces light magnitude of residual compressive stresses for increased fatigue life
- Random matte finish reduces surface imperfections

Research & Development
Research and Development Objectives:
- Dedicated resources
- Process/Product improvements
- New/Patented products
- 3D solid modeling (CAD)
- Prototyping
- Laboratory testing, analysis and benchmarking
- Finite Element Analysis (FEA)
Capabilities:
- Fabrication/Tool Room
- Support/PrototypeTesting
- Applications Laboratory
- Materials Engineering
- Scanning Electron Microscope (SEM)
Finite Element Analysis (FEA):
- Complete FEA capabilities from concept to final design


Patented technology
Associated Spring has a portfolio of additional patent pending innovations that favor our customer competitiveness in this market.
Failure Analysis
- Complete failure-analysis testing using Scanning Electron Microscope (SEM), Energy Dispersive Spectrography (EDS) and x-ray diffraction.
Prototype Reports
- In-house research optimizes prototype methods

Prototyping
Dedicated Resources:
- Design/Prototyping
- Manufacturing systems
- R&D for future application



